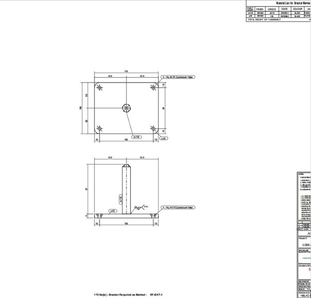
Cefndir y Prosiect: Mae'r prosiect yn ymwneud â gosod cromfachau lleoli ar gyfer cydrannau addurniadol llyfrgell, sy'n gofyn am weldio treiddiad llawn i fodloni gofynion arolygu trydydd parti.

Ateb Craidd: Mae'r prif ddeunydd yn cynnwys 316 o blatiau dur di-staen wedi'u weldio i wiail crwn. Cyn weldio, mae'r gwiail yn cael eu siamffro a'u troi, ac yna weldio arc argon.


Canlyniadau a Goblygiadau: Cynhaliwyd arolygiad trydydd parti ar ôl cwblhau'r weldio, gyda'r canlyniadau'n dangos cydymffurfiaeth RT.


